製品をさがす
Products
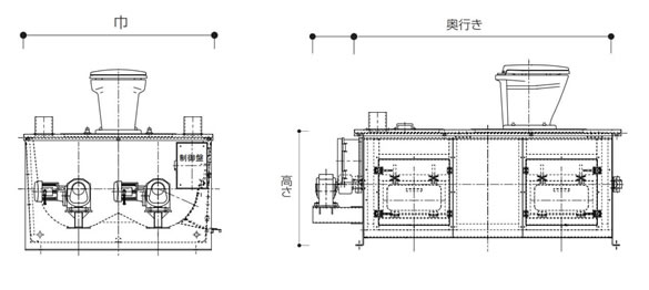
バイオトイレBio-Lux Wm2-76
Bio-Lux本体 Wm2-76型
Bio-Lux本体Wm2は処理能力が多い業務用の機種です。
側面に取り出し口がついているので、メンテナンスも行いやすくなっています。
便座取付部はご要望に合わせて選択可能です。
KB(洋式腰掛便座付き)、 YT(和式T型便器付き)のどちらか
共通仕様:モーター2台、スクリュー2本、上面に脱着式ふた
Bio-Lux本体Wm2は処理能力が多い業務用の機種です。
側面に取り出し口がついているので、メンテナンスも行いやすくなっています。
便座取付部はご要望に合わせて選択可能です。
KB(洋式腰掛便座付き)、 YT(和式T型便器付き)のどちらか
共通仕様:モーター2台、スクリュー2本、上面に脱着式ふた
| 品番 | Wm2-76 |
| 一日の使用目安(回) | 140~150 |
| 巾(mm) | 1220 |
| 奥行き(mm) | 1720(1988) |
| 高さ(mm) | 750 |
| 重さ(kg) | 510 |
| 電源 | AC100V |
| ヒーター | 40W×16本 |
| モーター | 100W×2 |
製品の特長
バイオトイレBio-Luxは水を使わずオガクズでし尿を処理する「自己完結型の新型トイレ」です。
空気の流れとオガクズ効果によって、トイレ室内は無臭です。
オガクズ交換は年に2~3回程度です。(必ず全量交換してください)
処理能力の違いで機種は多くありますので、一日の使用目安にあわせて機種をお選びいただけます。
バイオトイレ「Bio-Lux」の特徴
・水を使わない
・普通のオガクズを使用する
・オガクズに特別な菌は不要
・トイレットペーパーも分解できる
・使用後のオガクズは有機肥料として再利用ができる
・トイレ室内は無臭
生活雑排水専用の新浄化装置「Bio-Lux Water」と組み合わせることで、下水道不要の住環境を提案します。








